
200 Watts Mono Audio Amplifier Diy Share Project Pcbway

Texas Instruments Ti Cd4060be Pdf Datasheet 4000 Series

Transistor Circuit Diagram Using A1941 And C5198 In 2020


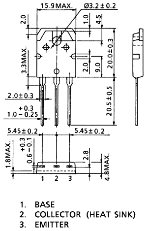
C5198 Datasheet Vceo 140v Npn Transistor Toshiba

C5198 Datasheet Equivalent Cross Reference Search
Datasheet A1941 Y C5198 Bipolar Junction Transistor

Transistor Circuit Diagram Of 2sc5200 And 2sa1943

C5198 Datasheet Vceo 140v Npn Transistor Toshiba

Learn About Electronics Fault Finding On Transistors

Irfp4242 International Rectifier Mosfet Transistor Usa Sales

A1941 Datasheet Equivalent Cross Reference Search

C5198 Datasheet Cdil Datasheetspdf Com

Audio Amplifier Using Transistor

C5198 Datasheet Equivalent Cross Reference Search

300 500w Subwoofer Power Amplifier
Comments
Post a Comment